Tính năng : HSK-ESS-OHC
◎ Only for CNC machines with a synchro function. Micro-floating Tapper for Synchro Tapping
◎ Also suits carbide taps. ◎ For high speed tapping
◎ With an internal coolant supply through the center of the spindle
(Coolant pressure is up to 7MPa)
※ Please use a tap with an oil hole.
◎ Coolant outlets passing by tap shank is achieved when used with AR-GH-C collets
| Matching Collets |
| ESS1022-OHC |
AR16-GB(M4)
AR16-GH(M5~) |
| ESS 412-OHC |
AR32-GH |

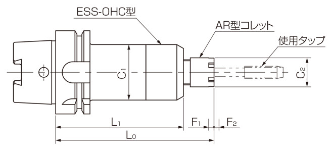
| Model |
L0
[mm] |
L1
[mm] |
C1
[mm] |
C2
[mm] |
F1※
[mm] |
F2※
[mm] |
Capacity |
Spanner |
Weight
[kg] |
List Price
[JPY] |
DXF |
|
|
120 |
96.8 |
42 |
22 |
0.5 |
0.5 |
M4~M12 |
AE16M |
1.57 |
55,000 |
Download |
|
|
180 |
147.0 |
66 |
50 |
M10~M22 |
FK7 |
3.94 |
77,000 |
Download |
※ Please contact us for the availability of models marked with ★.
※ HSK shank with holes for manual clamping is standard.
※ The coolant pipe is tiltable.
※ F1: Compression, F2: Tension
CÔNG TY MACHINETOOLS-SHOP VIỆT NAM
Hanoi Office :
2nd Floor, B Tower, T608 Building, Co Nhue Urban Area, Bac Tu Liem, Hanoi, Vietnam.
Danang Office :
Shophouse 304 ,Me Linh,Hoa Hiep Nam, Lien Chieu Dist, Da Nang City, Vietnam.
Mail: cuong.dv@pacvietnam.com
Mobile Phone :0978 704 858 /0947 820 987 (Zalo,Wechat,Line).